Menu
Your Cart

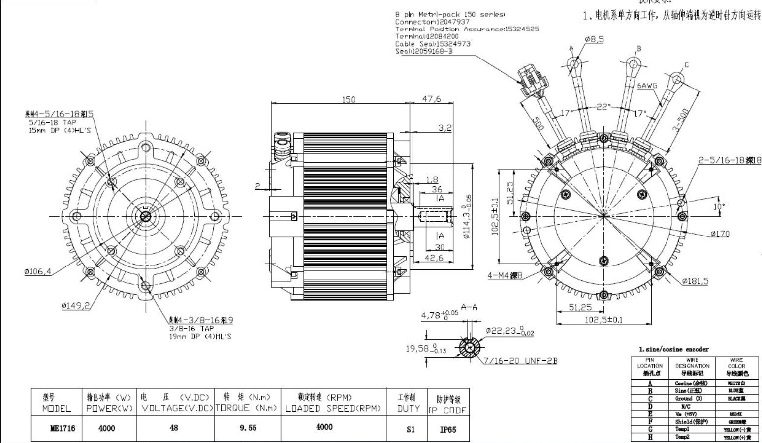
Motenergy ME1716 Motor

The Motenergy ME1716 motor
A brushless 3-phase, Y-connected Permanent Magnet Synchronous Motor, otherwise known as PMSM motor. Its brushless design requires no maintenance.


Commutation is achieved by an internal Sine/Cosine speed sensor, an input voltage of 24-72 VDC, 100 amps continuous, up to 300 amps for 30 seconds.

1) Designed for 24 - 96 VDC battery operated equipment
2) Set for 100 amps continuous
3) Maximum rotor speed 5500rpm
4) Torque: 9.5Nm
5) Internal temperature sensor equivalent to the KTY84-130
6) Internal Sine/cosine position sensor
7) Weight: 20.5 pounds


These patented radial flux motors are designed to work with sinusoidal (sine wave) controllers such as the Sevcon Gen4. 

NOTE: We do not recommend the use of square wave controllers with these motors. This may reduce the durability and efficiency of the motor, as well as void the warranty.






Write a review

Please login or register to review
Cookie Notice from VoltSport LTD
We use cookies (none tasty-kind) just to track visits to our website, we store no personal details unless you register your information which is managed according to our Privacy Policy. By using our website you accept this!